Installation et Plan de câblage
L’AVIOR est format modulaire et peut être installé dans tout coffret à la norme EN-50022. Il se fixe sur rail Din.
Pour un fonctionnement en toute sécurité, l’unité doit être installée uniquement par du personnel qualifié dans un boîtier qui empêche tout contact accidentel avec des tensions dangereuses.
Le degré de protection IP40 doit être garanti, élevé à IP54 pour une application en plein air.
1 Entrées analogiques
2 Entrées Tout ou Rien
3 Alimentation principale 12-24 Vcc ou 230Vac
4 Sorties relais avec un commun
5 Connecteur SMA femelle pour l’antenne 4G
6 Port série de programmation/ Alimentation auxiliaire
D Voyants leds pour l’état des sorties
E Etat de la communication modem/WiFi
JAUNE – WiFi
Clignotement 2 sec. Mode Point d’accès
Clignotement 5 sec. Connecté au réseau Wifi du SSID
BLEU – Modem 4G
Clignotement 2 sec. APN non configuré
Clignotement 2 sec. + 3 Clignos = APN érroné
Clignotement 5 sec. Connecté au réseau 4G
F Voyants leds pour l’état des entrées
Retirez le capot avant pour accéder à l’intérieur:
- Poussez avec deux doigts sur les côtés supérieur et inférieur du capot avant pour le libérer.
- Tirez le capot avant et rangez-le dans un endroit sûr.
Replacez le capot avant avant de faire fonctionner l’appareil.
G Micro-SDTM card holder
H Infrared receiver
L WiFi / Bluetooth antenna
M Infrared transmitter
N Cellular modem (WITH PLMN OPTION ONLY)
P Battery LED (YELLOW WHILE CHARGING)
R Power supply LED (GREEN WHEN DEVICE IS ON)
S PLMN status LED (WITH PLMN OPTION ONLY)
Une carte microSD ™ jusqu’à 32 Go (non fournie) peut être installée ou retirée lorsque l’appareil fonctionne.
Insérez la carte microSD dans son logement en veillant à ce que les contacts métalliques soient tournés vers le haut.
Faites glisser la microSD vers le haut pour la retirer de la fente pour carte.
Cette carte SD embarque le serveur Web local ou des pages web personnalisées. Elle peut également servir au stockage de données localement.
ATTENTION: AVANT TOUTE UTILISATION, LE CODE PIN DE LA CARTE SIM DOIT ÊTRE DESACTIVE IMPERATIVEMENT ET L’ALIMENTATION EXTERNE RACCORDEE SI UTILISATION AVEC MODEM 4G
Carte SIM
Cette unité peut être installée sur n’importe quel rail standard EN-50022 par simple encliquetage.
Pour un fonctionnement en toute sécurité, l’appareil ne doit être installé que par du personnel qualifié dans un boîtier évitant tout contact accidentel avec des tensions dangereuses.
METTEZ VOTRE CARTE SIM DANS UN TÉLÉPHONE CELLULAIRE ET PROGRAMMEZ-LA POUR QU’IL NE DEMANDE PAS LE CODE PIN

Le degré de protection IP40 doit être garanti et élevé à IP54 pour les applications en plein air.
Installez la carte SIM avant d’utiliser des unités équipées d’un module PLMN.
Nous vous rappelons qu’il est obligatoire d’alimenter l’AVIOR avec une alimentation principale et pas seulement avec le câble USB, même si cela semble suffire. La puissance délivrée par le cordon USB n’est pas suffisante pour le modem 4G.
Éteignez et débranchez toutes les alimentations.
Retirez le couvercle en plastique A
Insérer la carte SIM C contact d’or vers le haut. (La position B était pour les modems 2G)
Replacez le couvercle en plastique A avant de faire fonctionner l’appareil.
Pour insérer une micro-SIM (3FF), poussez-la avec le coin coupé orienté vers l’intérieur jusqu’à ce que vous entendiez un déclic.
Pour retirer la micro-SIM (3FF), appuyez dessus pour l’éjecter de son logement.
A partir de ce moment la led bleue doit se mettre à clignoter lentement toutes les 5 secondes environ. Si vous voyez 3 clignotements rapides cela signifie que l’APN que vous avez renseigné n’est pas correct. Renseignez vous auprès de votre opérateur.
Batterie
Cette unité peut être fournie en option avec une batterie Li-Poly à haute efficacité.
Voltage 3,7 V 4,2 V FULL CHARGE
Capacity > 320 mAh 1.26 Wh
Temperature -20…60°C 0…45°C CHARGING
La batterie d’un nouvel appareil n’est que partiellement chargée. Le processus de charge commence lorsque l’alimentation externe est fournie et suspendu lorsque la température est en dehors de la plage de charge de sécurité 0 … 45 ° C.
Un indicateur interne jaune [P] indique la charge de la batterie en cours: assurez-vous que la batterie est complètement chargée pour la première fois, le temps de charge attendu est inférieur à 2 heures. Le temps de sauvegarde prévu pour une batterie neuve et complètement chargée varie de 15 minutes à 6 heures, en fonction des conditions de fonctionnement.
Avant une longue période d’inactivité, éteignez l’appareil à l’aide d’une commande spécifique afin d’éviter une décharge complète de la batterie.
La durée de vie typique de la batterie est d’environ 2/3 ans et perd progressivement sa capacité à tenir une charge.
Cette perte de capacité (vieillissement) est irréversible. Au fur et à mesure que la batterie perd de sa capacité, sa durée de vie diminue.
Pour remplacer la batterie:
– enlever le couvercle inférieur Z
– débranchez la batterie T du connecteur U
– remplacez la batterie par une pièce de rechange d’origine uniquement
LES OPTIONS DE RECYCLAGE DISPONIBLES DANS VOTRE RÉGION DOIVENT ÊTRE CONSIDÉRÉES LORS DE LA MISE AU REBUT DES PILES!
NE PAS JETER AU FEU !
Schéma général de câblage

L’ALIMENTATION ÉLECTRIQUE BASSE TENSION, LES ENTRÉES ET LE PORT DE LIAISON DOIVENT RÉPONDRE AUX DEMANDES PLACÉES SUR DES CIRCUITS SELV (SÉCURITÉ TRÈS BASSE TENSION) CONFORMÉMENT À LA norme EN / IEC 62368.
La tension régulée 3,3V – 50 mA MAX disponible à la borne 06 par rapport à la borne négative 01 peut être activée / désactivée. Pour les unités équipées de batteries, une telle alimentation est fournie même lorsque l’alimentation principale est manquante.
Alimentation principale
L’AVIOR est disponible en 2 modèles en fonction de la tension d’alimentation.
Une version L pour du 12 ou 24V et une version M pour du 230Vac.
UN DISJONCTEUR AUTOMATIQUE À 2 PÔLES OU UNE PROTECTION ÉQUIVALENTE CAPABLE DE DÉBRANCHER LE CIRCUIT EN CAS DE COURT-CIRCUIT OU DE SUR-COURANT DOIT ÊTRE FOURNI

OPTION L pour les unités permettant une alimentation basse tension .
Voltage 9 … 35 VDC
9 … 27 VAC
Current 690 mA MAX
L’alimentation ne doit pas être partagée avec d’autres équipements et répondre aux exigences des circuits SELV selon EN / IEC 62368, à l’instar d’un transformateur 12VAC / 10VA bon marché. La longueur entre l’alimentation et l’appareil doit être inférieure à 3 m.
OPTION M pour les unités permettant l’alimentation à partir des lignes principales aux bornes 13 – 14.
Voltage 85…264 VAC
Frequency 47…63 Hz
Power < 5VA
Current 250 mA MAX @ 115 VAC ou 100 mA MAX @ 230 VAC
Power factor 0,60 @ 115 VAC ou 0,45 @ 230 VAC
Isolation 3 kV 1 MINUTE ou 4 kV 3 SECONDS
Câblage des entrées digitales

Entrées contact sec
Il est possible de connecter jusqu’à 6 contacts tout ou rien aux bornes 07 à 12. L’état est signalé à l’aide des voyants Leds jaune/orange[F]. Une alimentation interne, délivrant du 3,3V est disponible à la borne 06.
Il est possible d’effectuer un réglage du temps anti-rebond pour chaque entrée dans la plage 1 seconde à 18 heures.
Plage de tension d’entrée 3 … 9 VDC
Courant d’entrée 2mA @ 3,3V
Alimentation fournie 3,3VDC sur la borne 06
Entrées Comptage Impulsion et Temps
Les entrées peuvent également fonctionner comme un compteur d’impulsions ou de temps.
Des contacts secs Tout ou Rien, des ampoules REED magnétiques, des capteurs à effet Hall ou des commutateurs électronique tels que des transistors peuvent être utilisés.
Durée minimum d’une impulsion > 20 ms
Fréquence maximale < 25 Hz
Lorsque les entrées sont alimentées par une source externe, le négatif est connecté à la borne 01; la tension doit être maintenue dans les limites de 9 V CC. Les alimentations externes des entrées doivent répondre aux exigences des circuits SELV conformément à la norme EN / IEC 62368.
Exemples de câblage avec une alimentation externe

Lecteur Wiegand
Un lecteur wiegand peut être connecté aux entrées numériques I1 et I2, les voyants sont allumés lorsque la ligne de données est connectée. Négatif (GND) vers la borne 01.

Entrées Analogiques
Jusqu’à 4 signaux analogiques peuvent être connectés aux bornes 02 à 06 par rapport à la borne négative 01. Le mode d’entrée et la plage peuvent être sélectionnés par logiciel pour chaque entrée.
La source de tension est ici connectée à l’entrée analogique A2 (borne 03) par rapport à la borne négative (01).
Plage d’entrée 0 … 10 V
Entrée max 14 V
Résolution 0,014 V
Précision ± 2%
Impédance 25 kΩ
La sonde de température NTC est connectée à l’entrée analogique A4 (borne 05) et alimentée par une alimentation interne de 3,3 V (borne 06).
Plage de mesure -40 … 100 ° C
Résolution 0,1 ° C
Précision ± 2 ° C
NTC 10 kΩ (ou 3,3K) à 25 ° C
B: 3435 à 25 85 ° C
RSR001 103AT / 11
La source de courant est ici connectée à l’entrée analogique A2 (borne 03) par rapport à la borne négative (01).
Plage d’entrée 0 … 20 mA
Entrée max 28 mA
Chute de tension 2 V @ 20 mA
Résolution 0,028 mA
Précision ± 2%
Impédance 100Ω
Capteur actif, la sortie ici est connectée à l’entrée analogique A4 (borne 05) par rapport au négatif (borne 01) et alimentée par une alimentation interne de 3,3 V (borne 06), consommation de courant maximale 50 mA.
Définissez l’entrée en mode tension.
La valeur renvoyée et l’unité de mesure peuvent être définies pour n’importe quelle entrée, une valeur peut être définie pour zéro (c’est-à-dire: pour 4 ÷ 20mA, réglez zéro à 4).
valeur de pleine échelle 1 … 100000
zéro 0 … 21
unit n’importe quel texte
UN CÂBLE BLINDÉ PEUT ÊTRE UTILISÉ POUR LES LIGNES LONGUES: LE BLINDAGE CONNECTÉ AU TERMINAL NÉGATIF 1 SEULEMENT, L’AUTRE EXTREMITE NE DOIT PAS ETRE RACCORDEE.
Sorties Relais
Jusqu’à quatre contacts de relais SPST sont disponibles pour la commande de processus ou d’appareils aux bornes 17 à 20. L’état est signalé par la DEL [D]. Retour commun à la borne 16.
Courant Max 3 A cosφ = 1
1 A cosφ = 0,6
Tension Max 250 VAC
Communtation Max 750 VA
Isolation Bobine/Contacts 3000VRMS
isolation entre contacts 750VRMS
Pour éviter d’endommager les contacts du relais, une protection externe doit être fournie (fusible ou similaire), en fonction du pouvoir de coupure du relais.
Antenne cellulaire
Un jack coaxial femelle SMA est disponible pour les appareils équipés d’un module PLMN. Ci-dessous les exigences d’antenne pour les versions GSM et LTE.
INPUT POWER 2 BAND GSM/EDGE + 3G + LTE
Antenna gain > 10 W
IMPEDANCE 50 Ω
GAIN ≥ 1 dBi
VSWR ≤ 2 : 1
FREQUENCY 698 ÷ 960 MHz
1710 ÷ 2170 MHz
2500 ÷ 2700 MHz
L’ANTENNE N’EST PAS INCLUSE AVEC LE PRODUIT. ELLE EST A CHOISIR EN OPTION.
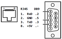
Port de programmation – Alimentation Auxilliaire
L’interface de communication est réalisée sous la forme d’une prise modulaire RJ45 à 8 pôles. Type de circuit SELV, longueur maximale 15 m, blindage non requis.
EIA-RS-232 (DCE)
115200 bit/s
8 DATA NO PARITY 1 STOP
AVIOR-LINK USB cable, cordon de programmation, fournit l’alimentation minimum mais n’est pas suffisant pour faire fonctionner le modem 4G.
AVIOR-LINK USB n’est pas inclus et est à prévoir en supplément.
Cet appareil peut recevoir l’alimentation d’un adaptateur USB, d’adaptateur mural ou de véhicule via un câble USB Mobi.Link. L’alimentation auxiliaire doit répondre aux exigences des circuits SELV conformément à la norme EN / IEC62368, la longueur de connexion maximale autorisée entre l’appareil et la source d’alimentation est de 3 m.
Voltage 5 VDC
Current 50 … 300 mA TYPICAL
800 mA Max







